Ocena wątku:
  • 1 głosów - średnia: 4
  • 1
  • 2
  • 3
  • 4
  • 5
PA wg DJ0ABR
U.L. Offline
Wacław
**

Liczba postów: 57
Dołączył: 13-02-2019
Post: #31
RE: PA wg DJ0ABR
Witajcie.
Jakie parametry powinna mieć pompa, która w tej konstrukcji "przegoni" płyn chłodzący? Może jakiś konkretny typ? Czy potrzebny jest zbiorniczek wyrównawczy?
Pozdrawiam - Wacław
29-06-2020, 19:44
Szukaj Odpowiedz
SP2FP Offline
PAWEŁ
***

Liczba postów: 184
Dołączył: 01-11-2009
Post: #32
RE: PA wg DJ0ABR
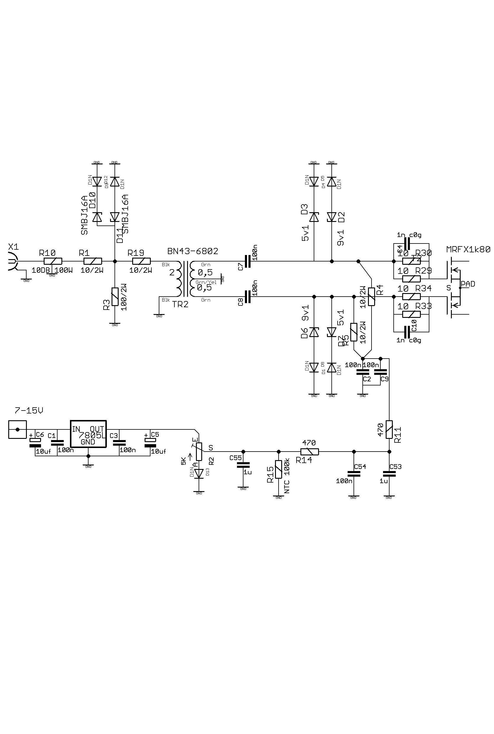
Też przymierzam się do podobnej konstrukcji z wykorzystaniem jednego MRFX1K80NR5.
Być może trafo wyjściowe 1:4 zamiast 1:9 , wystarczy mi 700-800wat out. Zasilanie 65-70V przy mniejszym przełożeniu. Chcę uzyskać lepsze parametry IMD, ale wyjdzie po uruchomieniu. Projekt LPFu wg mnie był troszkę zagmatwany . Zaprojektowałem filtr od nowa wzorując się troszkę na rozwiązaniu DJ0ABR.
Ilość zakrętasów i przelotek w oryginale mnie powaliła, wszystkie małe smd są teraz 1206. Zmieniłem rdzenie z T200 na T157, większość lpf-ów w necie do 1,2 kw ma rdzenie T130 lub mniejsze więc chyba 157 dadzą radę .
Na 21 MHz zamieniłem dwie środkowe cewki powietrzne na rdzenie T130-17 - super nisko stratny materiał nawet na 50MHz o małej przenikalności i bardzo wysokiej dobroci. Prze-symulowałem od nowa pasma stosując wartości kondensatorów z typowego szeregu - miałem wcześniej opracowany LPF do 300 wat z takimi wartościami .
Wszystkie kondensatory są teraz smd i mam wszystkie wartości na 2000V a cześć na 3kV. Nieczynne obwody zwarłem do masy bo sam wiem że przez otwarte + pojemność przekaźników- przedostają się wyższe częstotliwości i filtr w analizatorze ma dziwne ptaszki..
Zostawiłem pasmo 50 MHz choć samemu nie będę go używał z taką mocą, ale zamiast niego można dać bay pas przy strojeniu filtru.
Zamierzam przy płytce przekaźników N/O i gniazd dołożyć po jedno-obwodowym filtrze LPF na wej-wyj na stałe dla 30/50 MHZ, tak aby puszczał poniżej wszystko bezstratnie a tłumił powyżej 40/60MHZ- aby jakiś syf na ukf się nie przedostawał .
Zmieniłem tranzystory sterujące na takie które wewnątrz mają wszelkie zabezpieczenia, dokumentacja w zał.
Wszystkie pady kondensatorów są na tyle duże że zmieszczą się elementy 1808 i 25..
Jasne niebieskawe pola i ścieżki to fabryczne cynowanie - pola bez solder maski .
Nie dawałem nieskończonej ilości przelotek , mam troszkę doświadczenia i tutaj jakby masa musi być w obrębie danego pasma, dlatego nie ma co przesadzać , to nie jest 430 mega lub 1,2 giga a pola masy są bez przerw o dużej powierzchni
Ścieżka główna wej-wyj celowo ma 2,54 mm bo jest to linia paskowa 50 OHM z wyliczenia w programie do pcb i nie może być szersza.
Podłączenie wej-wyj - to pole masy i ścieżka do przekaźników. Stosując kabel teflonowy bardzo łatwo można przylutować kabel do pcb.
Wymiar pcb i tak ogromny , 205/235mm
Cenne uwagi mile widziane. Płytki się produkują ale pomiary po złożeniu.
Nie dałem od spodu mozliwości przylutowania pasków laminatu usztywniających płytkę, jest to konieczne podczas stosowania kondensatorów smd, wymiar duży i elementy ciężkie więc trzeba to usztywnić nawet na czas lutowania i strojenia, już poprawiłem to na projekcie. Tak czy tak potrzeba ją przykręcić na dystansach do metalowej blachy wewnątrz wzmacniacza.
W załączniku podgląd płytek , schemat i symulacja w Rfsim.
gerbery lub gotowe pcb via e-mail


Załączone pliki
.zip   Filtr lpf 1,5kw.zip (Rozmiar: 785.08 KB / Pobrań: 902)
(Ten post był ostatnio modyfikowany: 16-10-2020, 23:09 przez SP2FP.)
11-10-2020, 20:41
Strona WWW Szukaj Odpowiedz
SP2FP Offline
PAWEŁ
***

Liczba postów: 184
Dołączył: 01-11-2009
Post: #33
RE: PA wg DJ0ABR
Zaprojektowałem PCB wejścia LDmosa . Zrezygnowałem z przekaźnika N/O - będą na oddzielnej płytce. Zostawiłem zabezpieczenia w postaci transili i zenerek, dodałem zworę między rezystorami "bramkowymi" dodatkowe zabezpieczenie podczas lutowania. Po za pinem gorącym gniazdka SMA nie ma żadnych sygnałów na warstwie spodu . Ten pin po wlutowaniu gniazda od góry - tak aby nie wystawał na dole - od spodu zostanie usunięty wiertłem. PCB ma być przykręcone bezpośrednio do płyty z tranzystorem .
Dodałem miejsce na zintegrowany tłumik mocy 10 dB , kolejny tłumik z rezystorami smd 2 waty ma 3dB można go będzie skorygować np na 6 dB jeśli zajdzie taka potrzeba. Schemat i widok płytki w załącznikach.

İmage İmage


Załączone pliki
.pdf   wej ldmos sch.pdf (Rozmiar: 19.48 KB / Pobrań: 1,003)
.pdf   wej ldmos pcb .pdf (Rozmiar: 36.74 KB / Pobrań: 907)
(Ten post był ostatnio modyfikowany: 16-10-2020, 23:09 przez SP2FP.)
16-10-2020, 23:09
Strona WWW Szukaj Odpowiedz
SQ4CTK Offline
Grzegorz
***

Liczba postów: 139
Dołączył: 13-07-2009
Post: #34
RE: PA wg DJ0ABR
157 na 160 ,80m przy Twoich założeniach tak natomiast przy 1.2kW się ugotują.Rozumiem , że nie będziesz przekraczał punktu 1dB kompresji.
Chińczyk nie pobiera dodatkowych opłat za przelotki wiec w celu lepszego rozproszenia ciepła bym je zdecydowanie stosował Smile
Proponuję dołożyć na wejsciu za tłumikami regulowany limiter na diodzie Pin.
17-10-2020, 13:35
Strona WWW Szukaj Odpowiedz
SP2FP Offline
PAWEŁ
***

Liczba postów: 184
Dołączył: 01-11-2009
Post: #35
RE: PA wg DJ0ABR
Cześć , Powiem że oglądałem kilka konstrukcji 1-1,2 KW i widziałem tam rdzenie T 106 i nie większe jak T130. Obecnie podróby rdzeni z ali to faktycznie masakra. Dobroć kilka razy mniejsza i straty duże . Stosując oryginał - sprawdzona dobroć powinno być dobrze. Wiem co piszę bo sporo testów na mniejszych rdzeniach wykonałem. Zależy też od zawartości harmonicznych do wytłumienia - a tak naprawdę ich odbicia z powrotem itd. Symulowałem LPFa z układem duplexera , aby harmoniczne wytracić na rezystancji , ale tłumienie w paśmie przepustowym było znaczne, np 0,5-1 dB.
Rozważam w przypadku nadmiernego grzania , użycie dwóch złożonych rdzeni np T130 o mniejszej przenikalnoći (mniejsze straty) .
Miejsca na pcb sporo , ale tak dopiero próby pokażą efekty.
Odnośnie tłumika mam obawę o jego działanie przy poziomie sygnału kilku Vrms. Nie wykonywałem i nie testowałem jego zachowania pod względem wprowadzania zniekształceń np dla poziomu np 1-3 wat sygnału . Koncepcja PA będzie miała trzy pomiary mocy i swr . Na wejściu, po samej końcówce i na wyjściu. Przekroczenie nastawionych wartości będzie skutkowało ostrzeżeniem lub przejściem na bay-pas.
Praca w emisji CW lub SSB a dla mocy ciągłej można wprowadzić limit mocy. Co do punktu kompresji - to właśnie czystość widmowa będzie głównym priorytetem.
Jeszcze link http://www.w6pql.com/images/hf/rev6%20info.pdf
(Ten post był ostatnio modyfikowany: 17-10-2020, 15:55 przez SP2FP.)
17-10-2020, 13:55
Strona WWW Szukaj Odpowiedz
SP2FP Offline
PAWEŁ
***

Liczba postów: 184
Dołączył: 01-11-2009
Post: #36
RE: PA wg DJ0ABR
Pcb LPFu częściowo obsadzone, Ponieważ zmieniłem układ ścieżek zmieniły się parametry filtru. Okazało się że połączenie równolegle ścieżki sygnału i styki przekaźników dają pojemność własną około 50pf dla wej/wyj. Nie przewidziałem tak dużej wartości ale fizyki nie oszukamy. Nie obciążona w całości linia paskowa staje się kondensatorem tak jak 20cm koncentryka będzie miało np 20pf. Otwarty styk przekaźnika 2-3pf i jest komplet. Dla tego Kurt postawił na szeregowe łączenie przekaźników, które też wprowadza znaczną indukcyjność, a sygnał dla 160m musi przejść szeregowo przez 14 styków. Pewnie kompromis połączenia szeregowego dla 3 górnych pasm a reszta równolegle dał by inne efekty. Zacząłem od pasma 50Mhz które pewnie jest najgorsze przy takim zestawie. Pierwszy pomiar dał fatalne rezultaty. Pojemność nie widziana na schemacie 2x50pf wej/wyj pokazała coś takiego.
İmage
W paśmie OK ale po za nim słabo . Tłumienie 100Mhz tylko10db .
Wprowadziłem pojemnośc wej/wyj do RFsim i kombinowałem jak ją wykorzystać aby filtr miał przyzwoite parametry. Zmieniłem typ szeregowy na równoległy i dobrałem tak wartości LC aby uzyskać pożądany efekt .
İmage
Po ustawieniu wartości dobroci realnych elementów charakterystyka z symulacji jest zgodna z mierzoną.
İmage
Po za pasmem przepustowym widać troszkę górek ale są to przesłuchy nawet w lini zasilającej przekaźniki i reszty układu. Dlatego warto dobudować zewnętrzny filtr na płytce przekaźników N/O.
İmage
İmage
Czy 0,26db to dobry wynik- mogło być lepiej ale tłumienie harmonicznych jest lepsze jak w filtrze Kurta.
Czy ktoś złożył, mierzył oryginał i może podesłać wyniki.
Dla niższych pasm powinno być lepiej bo pojemność będzie miała mniejszy wpływ. Układy PI szeregowe zmieniam na równoległe i będę testował dalej.
İmage
Filtr ukończony, dojdzie poprawiona płytka z frezowanymi otworami pod kondensatorami i będą wykonane pomiary analizatorem z mostkiem odbiciowym
http://www.profimot.pl/sp2fp/LPF_HF1500w...sp2fp.html
(Ten post był ostatnio modyfikowany: 07-11-2021, 10:28 przez SP2FP.)
07-11-2020, 20:30
Strona WWW Szukaj Odpowiedz
SP2FP Offline
PAWEŁ
***

Liczba postów: 184
Dołączył: 01-11-2009
Post: #37
RE: PA wg DJ0ABR
Szukam praktycznego rozwiązania sterownika z wyświetlaczem dotykowym w obudowie panelowej. Wszystko idzie do przodu i są gotowe moduły w zasadzie pod dedykowany wyświetlacz. Np coś takiego
[Obrazek: cleo_1.jpg]
Płytka Kurta to trudne wyzwanie - małe elementy smd.
Może wspólnymi siłami udało by się wykonać własny projekt oparty na jakimś gotowym module wyświetlacza z procesorem. Oczywiście inne płytki wykonawcze i pomiarowe oddzielnie - jak najbardziej uniwersalnie. Nie jestem programistą i niestety nie pomogę w napisaniu softu ale może ktoś już napisał, chce się podzielić i można by to w jakiś sposób adaptować to do danego typu panelu. Kolega SP3JDZ (witec.pl) napisał taki program i prawdopodobnie go udostępni, kwestia pcb itd. ewentualne potrzebne zmiany lub dodatki.
Pokazana obudowa dla 5-7 cali załatwia sporo mechanicznych problemów. Robimy dziurę, nawet nie do końca ładną Smile i wkładamy panel .
Jeśli będą chętni to proponuję wątek Budowy PA z forum HOME MADE i zachęcam do wspólnego działania. Z mojej strony zapewniam udostępnienie wszystkich wykonanych modułów w.cz. i zabezpieczeń z pełną dokumentacją.

Ciąg dalszy płytki wejścia LD-mosa
Zmodyfikowałem wejście na bramki dodając pojemność 1n równolegle z rezystorami 10 ohm (5ohm).
Zamiast bramek , wlutowałem dwa kondensatory do masy 680pf - symulując pojemność "Ciss" tranzystora.
W tabelce efekty, bez tych pojemności napięcia były równe w całym mierzonym zakresie.
Wg mnie jest OK . Po zmontowaniu całej końcówki będzie można modyfikować tłumik lub pojemności w celu większej liniowości wzmocnienia-mocy. Pamiętać należy że te tranzystory lepiej pracują na 28 jak na 1,8 więc prawdopodobnie wzmocnienie będzie równiejsze. Pomiar nie uwzględnia sprzężenia zwrotnego.
Podałem sygnał z trxa K3. Moc ustawiona na 4 Waty. Napięcie wejściowe mierzone na wejściu tłumika 4 dB (rezystory 10/100/10 Ohm). Pomiar wykonany oscyloskopem cyfrowym z kalibrowaną sondą 1:10. Wartość RMS. Jak widać napięcia wejściowe nieznacznie się różnią w zależności od pasma, ale jest to normalne zjawisko szczególnie przy tak małej mocy TRXa. Swr nie przekroczył wartości 1:2 nawet na 50 MHz. Jak dojdzie 10 dB tłumik mocy to w zasadzie obciążenie trxa będzie idealne. Transile + diody (17V) w tłumiku ograniczają przebieg dla mocy 5 wat, diody Zenera w bramkach nie mają nic do roboty. Przy tej mocy napięcie na bramce wynosi około 9v PP. Oczywiście niech zostaną, zawsze są dodatkowym zabezpieczeniem przy silniejszym piku mocy sterującej.
Transformator wejściowy wykonałem napięciowo 2:1; impedancyjnie 50/12,5 .
Zastosowany przewód to RG316-25 Ohm. Żyła gorąca to uzwojenie pierwotne, a ekran to wtórne.
Poniżej zdjęcie testowanej płytki i tabelka.


jeszcze schemat wejścia bo nie można wykonać pełnej edycji wpisu.


Załączone pliki Miniatury
İmage İmage İmage
(Ten post był ostatnio modyfikowany: 13-11-2020, 21:48 przez SP2FP.)
12-11-2020, 21:25
Strona WWW Szukaj Odpowiedz
SP6FPH Offline
Nowicjusz
*

Liczba postów: 13
Dołączył: 26-09-2019
Post: #38
RE: PA wg DJ0ABR
Witam

Przedstawiam gotowe rozwiazanie controlera wg RZ1ZR.

https://www.qsl.net/rz1zr/controller-for...ifier.html
https://www.ebay.co.uk/itm/Controller-fo...3304970533

Zgadzam sie z Pawlem, ze wlasne uniwersalne rozwiazanie byloby bardzo uzyteczne .

Probowalem kupic kontroler u kolegow ze wschodu u EB104ru , ale opdpowiedzieli mi ,ze ich nie sprzedaja.
Rynek nie znosi prozni i z pewnoscia doczekamy sie uniwersalnych gotowcow.

Pozdrawiam Jozek.
18-01-2021, 20:06
Szukaj Odpowiedz
SP2FP Offline
PAWEŁ
***

Liczba postów: 184
Dołączył: 01-11-2009
Post: #39
RE: PA wg DJ0ABR
97 $ za sam wsad do arduino. Chyba trzeba ogłosić zrzutkę dla chętnego programisty który wykona podobny projekt . Ja z chęcią zaprojektuje i udostępnię pcb. Smile
18-01-2021, 20:29
Strona WWW Szukaj Odpowiedz
SP7EWL Offline
Nowicjusz
*

Liczba postów: 11
Dołączył: 20-10-2009
Post: #40
RE: PA wg DJ0ABR
(10-05-2020, 12:52)SP6FPH napisał(a): Witam kolegow.

Mam pytanie.

Czy ktorys z kolgow zajmujących się budowa i montażem PA wg projektu dj0abr-a ,ukonczyl budowę wzmacniacza i może go nam zaprezentować w formie zdjęć bądź filmu?

Pozdrawiam.
Jozek SP6FPH.

http://sp7ewl.eu/opis.php

_______________
Pozdrawiam
Zbyszek - SP7EWL
https://sp7ewl.eu
13-10-2021, 22:45
Szukaj Odpowiedz


Skocz do:


Użytkownicy przeglądający ten wątek: 1 gości