Temat pierwszy: S-meter.
Odnośnie propozycji Henryka. Temat chyba był już częściowo poruszany.
Niestety w układzie transceivera B-L-U superheterodynowego (z przemianą częstotliwości) nie jest tak prosto dołożyć odrębny układ S-metra na wzmacniaczu logarytmicznym. Dlaczego?.. Układ S-metra musi "słyszeć" to samo co my w głośniku. To oznacza, że sygnał musi przejść przez filtr SSB/CW i dopiero wtedy można go mierzyć. Na dodatek miejsce pomiaru musi być przed układem wzmacniaczy objętych ARW (w naszym przypadku trzy mosfety). BLU został tak przeprojektowany w torze IF (względem F6CER), że jeden z mosfetów objętych ARW (który robi świetną robotę) jest przed filtrami (SSB/CW). To oznacza, że gdyby wykonać odrębny tor pomiaru S-metra trzeba by zrobić dosłownie drugi odbiornik. Czy odbiornik musi być przyrządem pomiarowym?
Nie można podłączyć wzmacniacza logarytmicznego pod sygnał ARW, bo to daje kompletnie odjechane wychylenia wskaźnika mechanicznego (wpierw nic a potem od razu max).
W przypadku BLU wskazania (a nie pomiar) S-metra są wykonywane na bazie pomiaru napięcia automatyki - sygnału ARW, który jest podawany na bramki drugie G2 mosfetów w torze p.cz. (IF). Układ regulacji sprzężenia zwrotnego ARW reaguje na sygnały w zależności od ich siły, a więc również zależą one od wzmocnienia odbiornika - w naszym przypadku od anteny do wyjścia modułu IF. To oznacza, że włączanie przedwzmacniacza antenowego wpływa na reakcję ARW i wskazania S-metra. Weryfikacja wskazań S-metra jest zatem związana z tym czy pre-amp jest włączony czy nie. Na dolnych pasmach nie włączamy go, na 21 i 28 MHz włączamy go. Zatem pytanie w jakiej wersji weryfikować wskazania.
Ten sam problem dotyczy urządzeń fabrycznych z włączanymi pre-amp i to na dodatek czasami dwa poziomy. Najczęściej nikt na to nie zwraca uwagi i podaje "na ślepo" raport z S-metra nie zastanawiając się czy ma to cokolwiek wspólnego z tabelą napięć na wejściu odbiornika. Często nie ma.
Natomiast w przypadku SDR-ów czy innych układów TRX opartych na bazie układów homodynowych (to chyba każdy jest w stanie wymienić nazwy jakie) sprawa odczytu poziomu sygnałów i podania wskazania S-matra jest inna i na dodatek prosta. Poziom sygnału można odczytać po pierwszym przetworniku wejściowym i odrębnym wzmacniaczem logarytmicznym - następnie podać napięcie na procesor z programem który przetworzy tą informację na wyświetlacz. Wyświetli jako dBm czy S - standard dla SDR-ów obsługiwanych przez programy komputerowe. Oczywiście ten program jest prosty, ale tylko dla programisty...
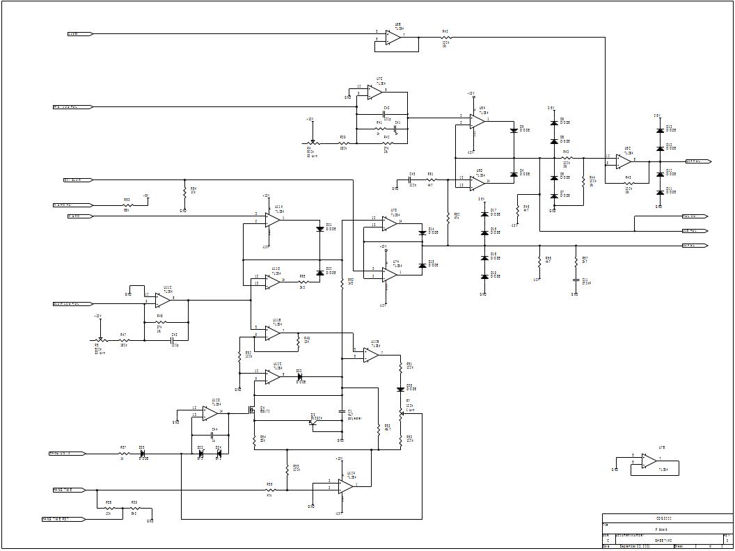
Temat drugi: "Odbiornik z torem p.cz. na FEM 500kHz i mosfet objęty ARW przed tym filtrem - podejście teoretyczne czy praktyczne?"
Wykonałem i uruchomiłem.
Koledzy podali obawy dotyczące poprawności pracy ARW, jeśli wzmacniacz objęty ARW będzie przed FEM, który wprowadza znaczące opóźnienie.
W przypadku B-L-U wzmacniacz IF to jeden mosfet przed filtrem, a dwa za filtrem FEM. Tak to pracuje poprawnie w torze IF na filtrze kwarcowy wersja 9MHz (PP9A2).
A jak w przypadku konfiguracji gdy zmienimy tor IF na układ 500kHz i jako filtry zastosujemy FEM. Wykonałem taki tor IF jako odbiornik z pojedynczą przemianą i uruchomiłem w pasmach 80-40-20m, nie przejmując się na razie bliską częstotliwością lustrzaną (wykonanie dobrych BPF zostawiam na później).
Efekt?... ARW w torze IF B-L-U na 500kHz z FEM pracuje REWELACYJNIE !
ARW pracuje na sygnale p.cz. 500kHz - zgodnie z układem PCB IF B-L-U.
Dlaczego tak oceniam?
- tor IF na 500kHz jest absolutnie stabilny, nie wykazuje żadnych tendencji do podwzbudzeń,
- ze względu na stabilność nie trzeba tłumić obwodów rezonansowych w drenach mosfetów (na 500kHz zastosowałem kubki - cewki 7x7 nr 101) - czyli można uzyskać większe wzmocnienie,
- pierwszy mosfet w drenie ma obciążenie dławikowe (1mH) - by dopasować się do FEM, co podnosi wzmocnienie tego stopnia w stosunku do obciążenia rezystancyjnego jak w przypadku wersji na 9MHz (by dopasować się do PP9),
- samo ARW zachowuje się inaczej niż w wersji na 9MHz - tu nie wiem dlaczego ?, wrażenie jest takie jakby sygnał lepiej podlegał detekcji niż na 9Mhz i jak w wersji ARW na m.cz., kondensatory "filtrujące" w detektorze mają małe wartości (100nF smd i 560nF styroflex) a uzyskuje się na nich bardzo dobrą detekcję (czas podtrzymania i czystość sygnału ARW).
Teraz by coś potwierdzić "słuchowo" - film z pierwszych nagrań odbiornika z pojedynczą przemianą z IF na 500kHz filtry FEM na bazie modułów B-L-U.
Uwaga: na końcu filmu jest "test" szumu własnego odbiornika (wykręcam antenę). Koledzy kiedyś pytali czy mam jakiś przyrząd do pomiaru współczynnika szumu - nie - bo nie ma co mierzyć

. A tak na poważnie to IF na 500kHz pomimo większego wzmocnienia osłuchowo ma mniejszy szum niż IF na 9MHz.
Pomiary toru IF na 500kHz. Ch-ki filtrów FEM i praca ARW.
Charakterystyka filtru FEM SSB zmierzona w torze IF.
Charakterystyka filtru FEM CW zmierzona w torze IF.
Praca ARW przy zadaniu sygnału S9+40dB filtr CW.
Praca ARW przy zadaniu sygnału S9+40dB filtr SSB
Realna praca ARW w paśmie 40m przy odsłuchu silnej stacji SSB. Widać moment rozpoczęcia nadawania.
Jak widać z pomiarów pracy ARW potwierdza się obrazowo - funkcjonuje prawidłowo - pomimo że jeden stopień wzmacniacza IF na mosfecie regulowany ARW jest przed FEM, a filtr elektromechaniczny jest objęty pętlą ARW. Nie wiem dlaczego to tak dobrze funkcjonuje, ale ponoć praktyka jest wtedy, kiedy coś ma nie działać , a działa.
Schemat ARW dla toru IF 500 kHz w wersji uruchomionej ostatecznie.