Ocena wątku:
  • 4 głosów - średnia: 4.75
  • 1
  • 2
  • 3
  • 4
  • 5
QRP-CW wg. SP5QU - prośba o identyfikację mojego QRP z przed 30 lat
SQ4AVS Offline
Rafał
*****

Liczba postów: 1,421
Dołączył: 29-01-2010
Post: #321
RE: QRP-CW wg. SP5QU - prośba o identyfikację mojego QRP z przed 30 lat
Karolu -wspólna baza Wink
18-12-2020, 19:19
Strona WWW Szukaj Odpowiedz
SP9LVZ Offline
Piotr
*****

Liczba postów: 817
Dołączył: 13-01-2015
Post: #322
RE: QRP-CW wg. SP5QU - prośba o identyfikację mojego QRP z przed 30 lat
Rozważania dot. odbiornika homodynowego "klasy SP5QU" w zakresie IP3 osobiście uważam raczej za "akademickie" aczkolwiek ciekawe, można zastosować tłumik na wejściu który poprawi dynamikę przy bardzo silnych sygnałach, dla takich odbiorników ważniejszy jest dobry filtr m.cz. ograniczający pasmo odbioru CW - aktywny (środkowo-przepustowy) lub pasywny na LC (dolno przepustowy)... W SP5QU, aż się prosi zastosować także LPF (ja takowy stosuję, gdyż w obwodzie kolektora tranzystora PA BUY52 mam klasyczny obwód na toroidzie, a nie rezonansowy i przy okazji LPF mam filtrację pasma dla RX ograniczający odbiór wyższych częstotliwości - z harmonicznych VFO). Gdyby zrobić aktualną wersję prostego TRX CW "klasy SP5QU" trzeba by cały układ przeprojektować.
(Ten post był ostatnio modyfikowany: 18-12-2020, 20:25 przez SP9LVZ.)
18-12-2020, 20:25
Strona WWW Szukaj Odpowiedz
SQ5KVS Offline
Karol
*****

Liczba postów: 1,013
Dołączył: 26-09-2012
Post: #323
RE: QRP-CW wg. SP5QU - prośba o identyfikację mojego QRP z przed 30 lat
(18-12-2020, 19:19)SQ4AVS napisał(a): Karolu -wspólna baza Wink

Ok bo pomyślałem że chcesz porównywać wzmacniacze o wspólnej bramce/bazie ze wzmacniaczami OE gdzie dopasowanie jest przez sprzężenie zwrotne C-B i/lub rezystancje w emiterze.
Nie rozumiem - nie robię. Chyba że robię żeby zrozumieć.
19-12-2020, 1:07
Szukaj Odpowiedz
SP9LVZ Offline
Piotr
*****

Liczba postów: 817
Dołączył: 13-01-2015
Post: #324
RE: QRP-CW wg. SP5QU - prośba o identyfikację mojego QRP z przed 30 lat
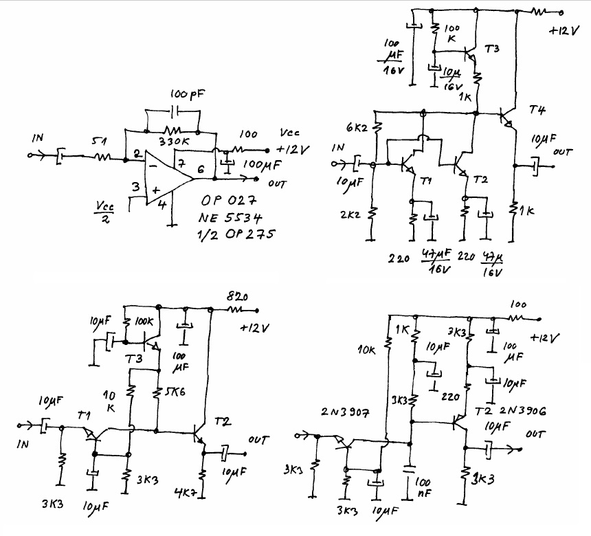
Przykładowe sprawdzone rozwiązania post wzmacniaczy do demodulatorów na mieszaczach diodowych w odbiornikach DC...
İmage
İmage
(Ten post był ostatnio modyfikowany: 19-12-2020, 21:43 przez SP9LVZ.)
19-12-2020, 21:43
Strona WWW Szukaj Odpowiedz
SP5RF Offline
Robert
****

Liczba postów: 343
Dołączył: 13-03-2010
Post: #325
RE: QRP-CW wg. SP5QU - prośba o identyfikację mojego QRP z przed 30 lat

Dzień dobry. Witam po długim czasie. Mam do sprzedania transceiver telegraficzny "Chojnacki" niegdyś robiący furorę na forum home made. (hm). Wykonany z tak niezwykłą starannością że zapiera dech. A do tego jeszcze działa! Odbiornik na dobrej antenie ładnie odbiera , nadajnik nadaje. Pamiętajmy że jest to sprzęt amatorski i ma swoje lata a więc może wymagać małego dostrojena, przeglądu czy wymiany jakiegoś elektrolitu. Nabywcy z HM dorzucę do niego jeszcze szpeje..

RFSmile

https://allegrolokalnie.pl/oferta/transc...-chojnacki
Znalazłem jeszcze coś takiego , też Chojnacki ale w innej obudowie i na innym etapie. Też działa ale wymaga dopieszczenia.
Jak by ktoś był zainteresowany...
Jest góra obudowy.
Pozdrawiam.


Załączone pliki Miniatury
İmage
Shy SP5RF
(Ten post był ostatnio modyfikowany: 23-04-2025, 18:57 przez SP5RF.)
22-04-2025, 13:45
Szukaj Odpowiedz


Skocz do:


Użytkownicy przeglądający ten wątek: 1 gości